品牌名称:东莞市博厚电机有限公司
规格承认书
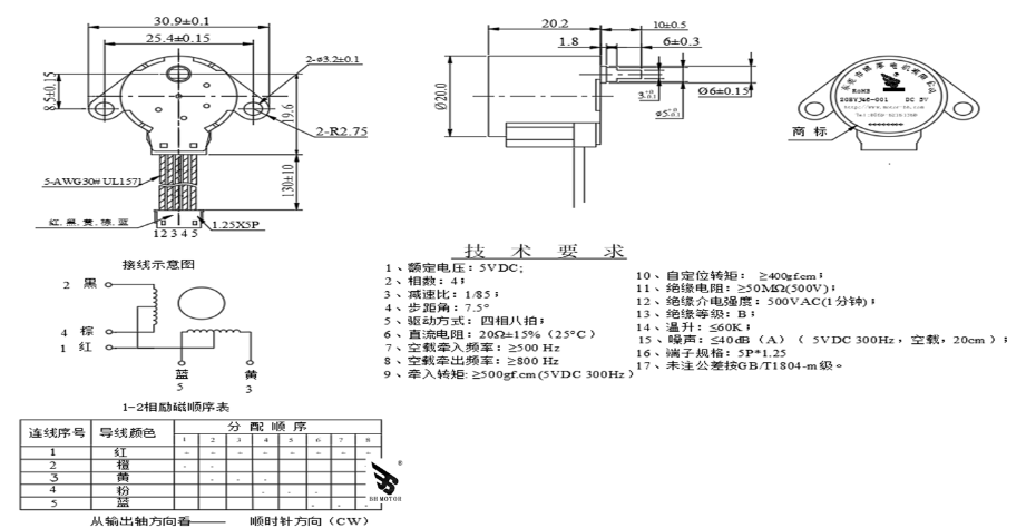
1.型号:BH-20BYJ46
2.额定电压:马达端子电压:5. OV DC
3.相数:4相
4.驱动方式:1-2相励磁单极驱动
5.步距角:7.5° /85 (输出轴),减速比1/85
6.电阻:20Ω±7%/相 25°C
7.空载牵出频率:≥800 pps
8.空载牵入频率:≥500 pps
9.牵入转矩:80mN.m/5VDC 100 Hz
10.绝缘电阻:在引接线和外壳之间施加600VDC, 测得绝缘电阻大于100MΩ。
11.重量:29.4g
12.噪音:电机在5VDC/ 100Hz条件下空载运行,距电机10cm处测得噪音值不大于40dB(A计权)。
13.耐湿测试:电机在温度为40°C,相对湿度为90% ~ 95%的环境中置放48小时,然后取出在常温下置放30分钟。
14.耐高温试验:电机在温度为80°C, 相对湿度为90%~ 100%的环境中置放48小时,然后取出在常温下置放30分钟。
15.冲击或跌落试验:电机在X,Y, Z三个方向分别承受80g的冲击力各1次; 或电机在装箱状态下,从75cm高处,以X,Y,Z三个方向各跌落一次, 电机应正常。
16.寿命测试:电机在5VDC 100 Hz,10mN. cm的负荷状态下,经过3000小时90° 正反方向旋转,电机应满足要求,盐雾试验8小时。
17.使用条件:温度 -10°C~45°C .相对湿度: 35%~85%。

| 公司名 | 东莞市博厚电机有限公司 | 经营模式 | 暂未公布 |
|---|---|---|---|
| 注册资本 | 暂未公布 | 注册时间 | 暂未公布 |
| 公司所在地 | 广东 东莞市 | 企业类型 | 暂未公布 |
| 资料认证 |
|
||
| 主营行业 | 、 | ||
| 主营产品或服务 | |||
-
[诚信档案]
-
联系人:(先生)
- 会员: [当前离线] [加为商友] [发送信件]
- 地区:广东-东莞市
东莞市博厚电机有限公司
来电时请说是 国际能源网 看到的









