本公司其它产品
品牌名称:苏州优配热能设备贸易有限公司
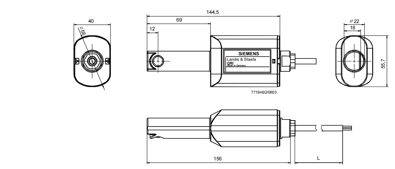
燃烧器火检QRI2B2.B180B1火焰探测器光电管
红外光电眼 QRI2探测红外,用于探测黄色火焰,即用于探测火焰中的红外,可以用于燃油火焰安全检测。与西门子程序控制器配合使用,用于大型燃烧器,连续或间歇式运行均可。坠落或撞击会影响到安全功能。这样的探测器单元不能运作,即使它们外观看起来 一点损害也没有
分别有正面检测和侧面检测两种。
自动巡检功能。
不受燃烧器的负荷限制。
不受运行方式限制。
安装•尺寸

产品•列表

苏州优配热能设备贸易有限公司
进入公司首页苏州优配热能设备贸易有限公司是一家从事燃烧器及燃烧器配件产品的销售.公司秉承客户至上的服务理念,和燃烧热能设备厂商合作,提供燃烧设备产品及配件。 公司经营主要为:百得、利雅路、威索、百通、意科法兰、百特、百然、瑞凌等燃烧器;西门子、冬斯、蓝姆泰克、霍科德、AUTOFLAME、fireye、霍尼韦尔、巴拿马、丹佛斯、飞达、桑泰克等燃烧器配件。 公司秉承“客户为先、服务为荣、创新为尊、技术为实”的经营理念,恪守“合作、共享、共赢”的企业精神,奉行“知人善任、人尽其才”的人才理念,通过开放式创新、卓越运营管理、人力...
查看更多 >-
[诚信档案]
-
联系人:袁薇(先生)
- 会员: [当前离线] [加为商友] [发送信件]
- 电话:
- 地区:江苏-苏州市-常熟市
- 地址:常熟市通港路98号
苏州优配热能设备贸易有限公司
来电时请说是 国际能源网 看到的
-
面议
立即询价 -
0.10/个
立即购买











