品牌:艾麦斯电源
产品1:PCS/MPPT/STS/BMS/EMS
产品2:智能微网变流器PCS
产品3:并网、并离网
浏览量:4270次
- 价 格:面议
- 起订量:1
- 发货地:广东 深圳市
- 发货期限:3天内发货
- 供货总量:
- 有效期至:长期有效
- 最后更新:2025-11-05 17:34
普通会员
-
通过认证 [诚信档案]
-
联系人:李照海(先生)
- 会员: [当前离线] [加为商友] [发送信件]
- 邮件:
- 电话:
- 手机:
[发送短信]
- 地区:广东-深圳市
- 地址:深圳市宝安区福海街道和平社区富桥第二工业区B10幢
艾麦斯(深圳)电源科技有限公司
来电时请说是 国际能源网 看到的
本公司其它产品
品牌名称:艾麦斯(深圳)电源科技有限公司
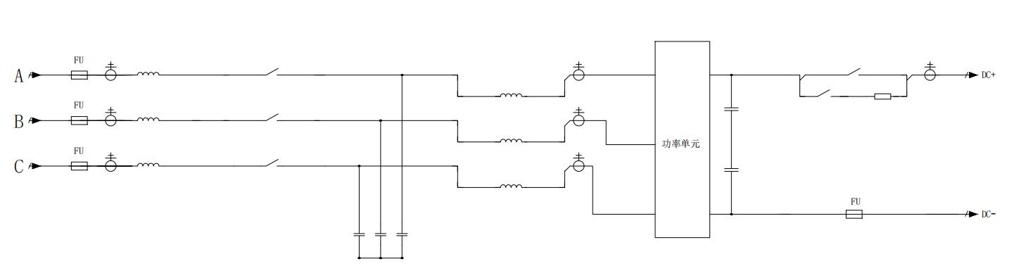
本产品是一款专为1500V高压储能系统量身打造的模块化变流器产品,额定功率 215kW是储能装置中的核心功率变换单元。采用三电平拓扑结构,支持双向能量流动、宽范围电池电压,IP66防护等级,满足不同应用场景的需求,安装使用灵活。
(1)PCS变流器可以实现电网与电池间的交直流转换,完成两者间的双向能量流动,是储能系统的主要执行机构和核心组件。
(2)支持多机并联,良好的扩容性。
(3)支持有功无功调节功能。
(4)支持竖放(接线在下端)、抽屉式等多种安装方式。
PCS可与EMS控制器配合,能够实现以下高级应用功能:
(1)“削峰填谷”功能:
EMS控制器根据历史曲线或实时负荷曲线计算 PCS的功率期望值,PCS输出
响应该功率值,实现“削峰填谷”的功能;
(2) PCS模块充放电控制功能
EMS控制器根据一定的控制策略和 BMS返回的电池信息决定 PCS模块充放电状态,以及充放电电流大小,并经PCS机柜转发给相应的PCS模块。PCS模块应能接收并执行EMS控制器发送的充放电指令。PCS同时具备接收BMS
指令的能力。
(3)无功调节功能
PCS模块可根据EMS控制器控制指令调节无功输出,无功功率调节范围不超过PCS模块视在功率的范围。
(4)频率异常时的响应特性,逆变器应具备一定的耐受系统频率异常的能力。
(5)PCS保护功能
PCS应能根据并网侧电压、频率以及自身运行状态进行实时的故障保护,保护功能包括:
电网电压过、欠压保护电网频率高、低频保护直流过/欠压保护
直流过流保护
直流极性反接保护
交流过流保护
过温保护
缺相保护
防孤岛保护
交流进线相序错误保护通讯故障保护
冷却系统保护
具备急停保护
BMS联动保护






艾麦斯(深圳)电源科技有限公司
进入公司首页艾麦斯(深圳)电源科技有限公司,成立于改革开发前沿的深圳经济特区,是一家专业从事电源产品研发生产销售及能源系统解决方案的提供商。公司研发团队来自国家电网、许继集团、艾默生、厦门科华恒盛等国内外知名上市电源公司,在数字电源模块产品、储能产品领域有着深厚的积累,拥有成熟完善的技术方案和科学的产品质量控制流程。公司一直专注于电源的小型化,数字化,模块化,系统化,并掌握诸多该领域更先进的核心技术,拥有多项发明专利和软件著作权。产品线主要涵盖储能产品系列和可编程电源系列。储能产品主要包括V2G双向变流器电源,PCS储能变流器、...
查看更多 >| 公司名 | 艾麦斯(深圳)电源科技有限公司 | 经营模式 | 制造商,贸易商 |
|---|---|---|---|
| 注册资本 | 1000万人民币 | 注册时间 | 2019 |
| 公司所在地 | 广东 深圳市 | 企业类型 | 企业单位 |
| 资料认证 |
企业资料通过认证 |
||
| 主营行业 | 储能行业 / 电化学储能 / 储能变流器(PCS)、 储能行业 / 电化学储能 / 电池管理系统(BMS)、 储能行业 / 电化学储能 / 能量管理系统(EMS)、 储能行业 / 电化学储能 / 储能系统集成、 储能行业 / 电化学储能 / 储能电池、 新能源汽车及充换电行业 / 充电桩/充电站及设备、 | ||
| 主营产品或服务 | PCS/MPPT/STS/BMS/EMS| 智能微网变流器PCS|便携式储能变流器| 并网、并离网|储能柜/箱| V2G模块与V2G整桩|ACDC/DCDC| 直流微网|源头设备厂家| 光储充检|国高企业| 分布式储能|一体化储能系统| 回馈式充放电电源 | ||
-
通过认证 [诚信档案]
-
联系人:李照海(先生)
- 会员: [当前离线] [加为商友] [发送信件]
- 邮件:
- 电话:
- 手机:
[发送短信]
- 地区:广东-深圳市
- 地址:深圳市宝安区福海街道和平社区富桥第二工业区B10幢
艾麦斯(深圳)电源科技有限公司
来电时请说是 国际能源网 看到的



企业资料通过认证

